新产品发布||快恢复功率二极管
时间:2021-04-28 查看:4824 次
GOOD-ARK快恢复功率二极管产品系列:
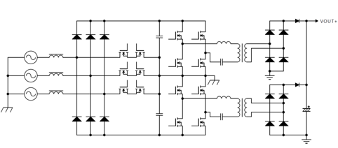
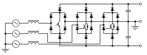
苏州固锝电子600V,1200V快恢复功率二极管产品系列,可以提供4种不同的产品封装(TO-220AC、D2PAK、TO-247AC, TO-247AD ),优化反向恢复时间,提升高温反向漏电特性,以达到优越的开关损耗以及直流损耗,提高了电动汽车、混合动力汽车、通信、工业和商用等电源类产品的使用效率。
|
|
|
|
| TO-220AC | D²PAK | TO-247AC | TO-247AD |
优化正向电压 (VF)&高温漏电(IR)
优化反向恢复时间
降低开关损耗,提高效率
优化电磁干扰性能
工作温度从-55到175˚C
充电桩

太阳能逆变器
通信电源
服务器电源






